?

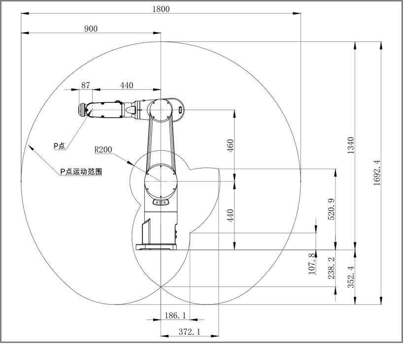
| 運動軸數 | 6軸 |
| 最大負載(kg) | 10kg |
| J1工作范圍 | ±176° |
| J2工作范圍 | ±140° |
| J3工作范圍 | -200~+70° |
| J4工作范圍 | ±173° |
| J5工作范圍 | ±130° |
| J6工作范圍 | ±360° |
| J1最大速度 | 275°/s |
| J2最大速度 | 275°/s |
| J3最大速度 | 235°/s |
| J4最大速度 | 400°/s |
| J5最大速度 | 400°/s |
| J6最大速度 | 530°/s |
| 重復定位精度 | ±0.05mm |
| IO輸入/輸出 | 24路輸入,24路輸出 |
| 用戶氣管 | 進氣口φ6*2,出氣口φ4*4 |
| 安裝方式 | 正裝/倒裝 |
| 防護等級 | IP54 |
| 重量(KG) | 75KG |

美斯圖(ESTUN)迷你機器人精度更高,速度更快,完美適用于3C行業的搬運、裝配、錫焊、擰螺絲等,以及汽車零部件等行業的快速搬運、配合加工等。同時也是高校教學的寵兒,可選配拖動示教、電子皮膚安全模式等功能。
